Product取扱商品
0.06用油圧ブレーカー FX25(Vio17用)
商品CD:B015
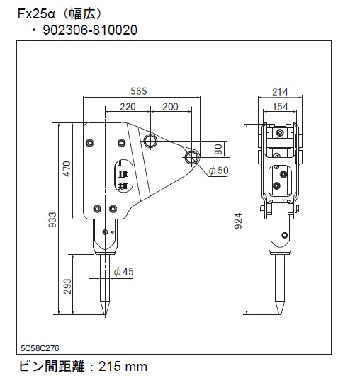
型式 Fx25(サイドブラケット仕様)
メーカー:古河ロックドリル(株)
総質量 *1 90 kg
全長 933 mm
打撃数 600~1,500 min-1
所要油量 18~32 L/min
作動油圧 10~14 MPa
ロッド径 45 mm
推奨油圧ショベル質量 *2 1.35~2.5 ton
※1 総質量は、ブレーカ本体にブラケット、ロッドを取付けた状態での値を表示しています。
※2 推奨油圧ショベル質量は、搭載可能な油圧ショベルの目安を質量で表しています。




