Product取扱商品
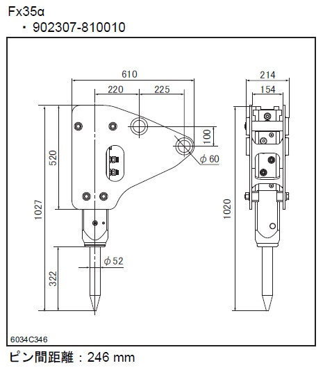
0.1用油圧ブレーカー Fx35(ZX30U用)
商品CD:B025
型式 Fx35(サイドブラケット仕様)
メーカー:古河ロックドリル(株)
総質量 *1 131 kg
全長 1,027 mm
打撃数 600~1,300 min-1
所要油量 24~42 L/min
作動油圧 12~16 MPa
ロッド径 52 mm
推奨油圧ショベル質量 *2 1.9~3.5 ton
※1 総質量は、ブレーカ本体にブラケット、ロッドを取付けた状態での値を表示しています。
※2 推奨油圧ショベル質量は、搭載可能な油圧ショベルの目安を質量で表しています。




