
Product取扱商品
4TユニックRC4段 TM-ZE304HR
商品CD U4
クレーン型式 TM-ZE304HR型 カーゴクレーン
クレーンメーカー:(株)タダノ
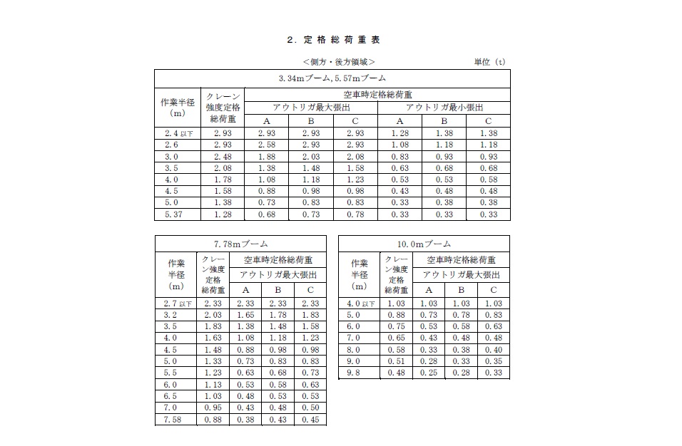
1. 主 要 諸 元
空 車 時 最大 クレ ー ン 容量 2.93t× 2.6 m(4本掛)
最 大 作 業 半 径 9.8 m
最 大 地 上 揚 程 約 11.4 m
ブ ー ム 長 さ 3.34 m ~ 10.0 m
ブ ー ム 伸 ば し 速 度 6.65 m/14s
旋 回 角 度 360°連続
旋 回 速 度 2.5 rpm
ブ ー ム 起 伏 角 度 1°~ 78°
ブ ー ム 上 げ 速 度 1°~ 78°/7.5s
フ ッ ク 巻 上 げ 速 度 19 m/min (4層、4本掛)
ブ ー ム 形 式 五角形4段油圧伸縮式(2段目順次、3・4段目同時)
ワ イ ヤ ロ ー プ 径8mm × 長さ 63 m
7×7+6×WS(26)
フ ッ ク イン 方 式
最大張出幅 3.4 m、中間張出幅 2.7 m、最小張出幅 2.0 m
作 動 油 タ ン ク 容 量 31 L
2. 車 両 主 要 諸 元
◎ キ ャ リ ヤ
キ ャ リ ヤ 型 式 日野 TKG-FC9JKAA
エ ン ジ ン 型 式 J05E
総 排 気 量 5,123 L
バ ッ テ リ 電 圧 24V
燃 料 タ ン ク 容 量 100 L
乗 車 定 員 2名
タ イ ヤ 前 輪 225/90R17.5 127/125L
後 輪 225/90R17.5 127/125L
◎ 寸 法
全 長 8,160 mm
全 幅 2,235 mm
全 高 3,035 mm
軸 距 4,650 mm
輪 距 前 輪 1,800 mm
後 輪 1,660 mm
◎ 重 量
車 両 重 量 約5,000 kg
車 両 総 重 量 約7,980 kg