Product取扱商品
超低騒音油圧ブレーカー Fx55SS ZX40U用
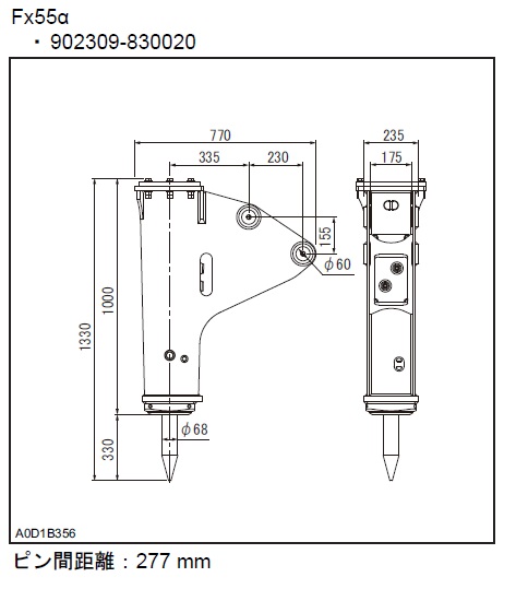
商品CD :B040S
型 式 : Fx55(SS-box仕様)
メーカー:古河ロックドリル(株)
総質量 *1 :305 kg
全長 :1,330 mm
打撃数 :500~1,100 min-1
所要油量 :40~72 L/min
作動油圧 :12~16 MPa
ロッド径 :68 mm
推奨油圧ショベル質量 *2 4.0~5.5 ton
※1 総質量は、ブレーカ本体にブラケット、ロッドを取付けた状態での値を表示しています。
※2 推奨油圧ショベル質量は、搭載可能な油圧ショベルの目安を質量で表しています。
NETIS掲載期間終了技術R2.3.31





