Product取扱商品

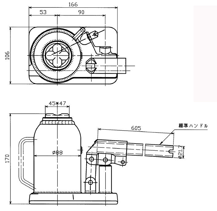
オイルジャッキ 10t 低床タイプ

オイルジャッキ 10t 低床タイプ
オイルジャッキ 10t 低床タイプ01
オイルジャッキ 10t 低床タイプ02

商品CD:OJ
メーカー:株式会社マサダ製作所
仕様:低床タイプ
揚力kN(t):100(10)
ストローク(mm):95
高さ(mm):170~340
ヘッド径(mm):45×47
補助ねじ(mm):75
質量:6.3kg

※標準型では入らない狭い場所でのジャッキアップが可能です。
※標準・低型は○印方向へ90°の範囲に使用できます。
※ 横方向の使用での揚程は油量の関係で50~70%になります。